スリップリング
SAZA /SCZA ※ユーザー直販限定モデル標準品

■1億回転までメンテナンスフリーでご使用いただける製品です。
■コンパクトなボディで最大3Aと高速データ通信の組合せで幅広い用途に使用できます。
■仕様
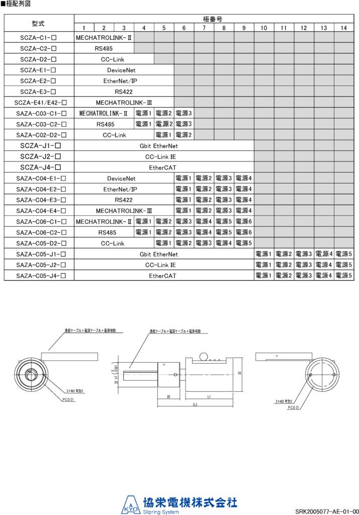
極数:最大14極
電圧:AC/DC100V以下
許容電流:3A
許容回転数:1200rpm
軸径/外径:10mm/30mm
環境対応:RoHS2対応
CADデータのダウンロードは会員登録が必要です。
- 寸法図
- 仕様

| 品番 | SAZA J010030003 |
|---|---|
| 内径 | 10 |
| 外径 | 30 |
| 最大極数 | 14 |
| 電圧 | 100V |
| 許容電流 | 1~3A |
| 信号 (歪みゲージなどアナログ信号) |
|
| 熱電対(K補償導線を使用) | |
| 通信回路 | 〇 |
| 許容回転数 | 1200 |
| 回転寿命 | 1憶 |
| メンテナンス周期 | メンテナンス フリー |
| 回転方向 | CW-CCW インデックス |