スリップリング
SRC120標準品

■内径40mm、20A対応の標準品です。
■仕様
極数:2~24極
電圧:AC/DC220V以下
許容電流:20A
許容回転数:800rpm
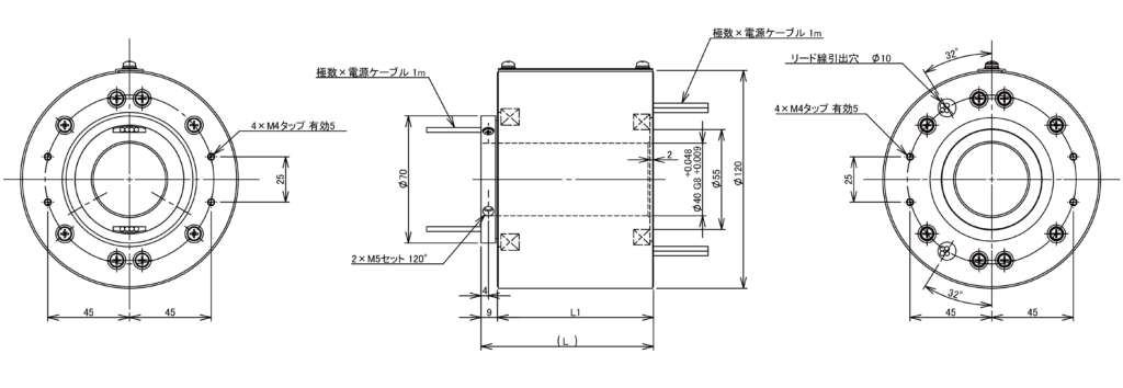
内径/外径:40mm/120mm
環境対応:RoHS2対応
CADデータのダウンロードは会員登録が必要です。

CADENAS WEB2CADを活用して 3D設計データが簡単に製作できます。 ご利用にはPART COMMUNITYへの 会員登録(無料)が必要です。
- 寸法図
- 仕様

| 極数 | ⻑さ |
|---|---|
| 2 | 50 |
| 4 | 62 |
| 6 | 74 |
| 8 | 86 |
| 10 | 98 |
| 12 | 110 |
| 14 | 122 |
| 16 | 134 |
| 18 | 146 |
| 20 | 158 |
| 22 | 170 |
| 24 | 182 |
| 品番 | SRC120 |
|---|---|
| 内径 | 40 |
| 外径 | 120 |
| 最大極数 | 24 |
| 電圧 | 200V |
| 許容電流 | 1~20A |
| 信号 (歪みゲージなどアナログ信号) |
〇 |
| 熱電対(K補償導線を使用) | |
| 通信回路 | |
| 許容回転数 | 800 |
| 回転寿命 | 6000万 |
| メンテナンス周期 | 1000万 |
| 回転方向 | CW-CCW インデックス |