スリップリング

SRY80A標準品

■80Aおよび信号対応の標準品です。
■内径30mm~200mmまでの6種類から選定可能です。
■シンプルな構造で幅広い用途に使用できます。
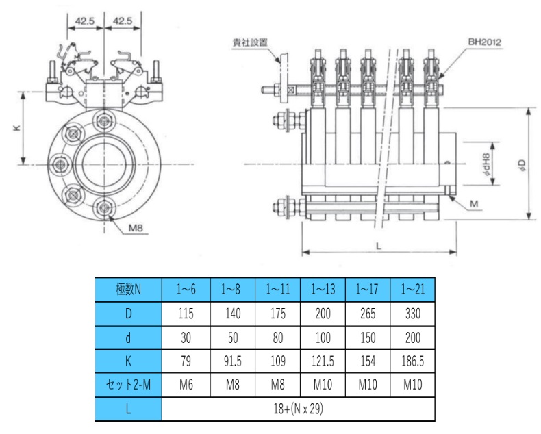
■仕様
極数:1~21極※内径により最大極数が異なります
電圧:AC/DC220V以下
許容電流:80A以下,信号
許容回転数:2,000rpm
内径/外径:φ30~200/φ115~330

CADデータのダウンロードは会員登録が必要です。

  • 寸法図
  • 仕様
極数 ⻑さ
1~21 20(N+1)
品番 SRY80A
内径 30~200
外径 115~330
最大極数 21
電圧 200V
許容電流 1~80A
信号
(歪みゲージなどアナログ信号)
熱電対(K補償導線を使用)
通信回路
許容回転数 2000
回転寿命
メンテナンス周期
回転方向  CW-CCW インデックス

メールでのお問い合わせは
こちら

電話でのお問い合わせは
こちら